1.5.4
Cap Electrical Circuits and Segment Interconnections
Both Standard Square and Large Rectangular caps contain four separate quadrants (A, B, C, D) that can be illuminated independently. To reduce the number of input wires necessary to illuminate the display, the caps are available with the quadrants A, B, C and D internally connected in various circuit options so one input wire can activate one or more quadrants.
There are a total of five distinct segment interconnection options:
|
|
|
|
|
| Option A | Option B | Option C | Option D | Option E |
|
|
|
||
| Option F (Large Rectangular Only) |
Option G (Large Rectangular Only) |
Option J (Large Rectangular Only) |
||
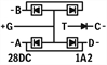
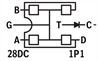
| Quadrants as seen from the front of the switch, with ”TOP” of switch indicated by the dot. | ||||
The selection of the segment interconnect option above is independent of the selection of the Cap Display Style in Section 1.2. Typically, the segments on the Display Style may match the interconnection in the cap circuit, but this is not a requirement. For example, a cap with Display Style H (Full Face) from Section 1.2 could be specified with an interconnection Option A above (each quadrant requiring its own illumination pin) for redundancy. Each separate illumination quadrant(s) desired in Display Style, requires a dedicated illumination pin.
Based on the cap voltage, dimming control (voltage dimming vs. discrete dimming), the inclusion of blocking diodes, and the presence (or lack thereof) of a dedicated Press-To-Test circuit, not all interconnect options are available for all configurations. Circuit schematics can also vary by the number of commons (single common or split common) and the polarity (common anode or common cathode) of the cap. See Figure 1.5.4-B and the appropriate table in Appendix C as for the specific segment interconnections options available.
Cap segment interconnection Option A is the only available option for a 28 VAC, 5 VAC, or 115 VAC cap.
No Cap-to Cap Interconnections
Internal cap segment interconnections are solely provided to reduce the number of required external wiring connections required to illuminate the intended display. These redundant connections lack the current carrying capacity to "daisy chain" additional displays or devices, and should not be used in this manner.
| Voltage (*) | Dimming | Blocking Diodes | Press-to-Test | See Appendix C Table: |
Example |
| Standard Square Caps | |||||
| 28 VDC | Variable Voltage | No | No | C - 1 (20 schematics) |
|
| Yes | No | C - 2 (20 schematics) |
|
||
| Yes | Yes | C - 3 (12 schematics) |
|
||
| Discrete (PG) | Yes | No | C - 4 (10 schematics) |
|
|
| Yes | Yes | C - 5 (6 schematics) |
|
||
| 5 VDC | Variable Voltage | No | No | C - 6 (20 schematics) |
|
| Large Rectangular Caps | |||||
| 28 VDC | Variable Voltage | No (*) | No | C - 7 (16 schematics) |
|
| 28 VDC | Variable Voltage | No (*) | Yes | C - 8 (10 schematics) |
|
|
See Appendix D for circuit schematics for 5 VAC, 28 VAC, 115 VAC, 400 Hz, and 115 VAC, 60 Hz. Caps or switch assemblies with these caps are not covered by MIL-PRF-22885. (*) Polarity Insensitive circuits |
|||||
