Power Transfer

This application demonstrates a multiple battery power system with the ability to monitor battery voltage and automatically complete a battery switchover should primary battery voltage (BATT 1) drop below defined levels. The automatic switchover assures battery power is always available when charging is required on the primary battery. When the primary battery is fully charged, switchover can also be forced by manually latching an alternate action switch toggling between battery systems. 

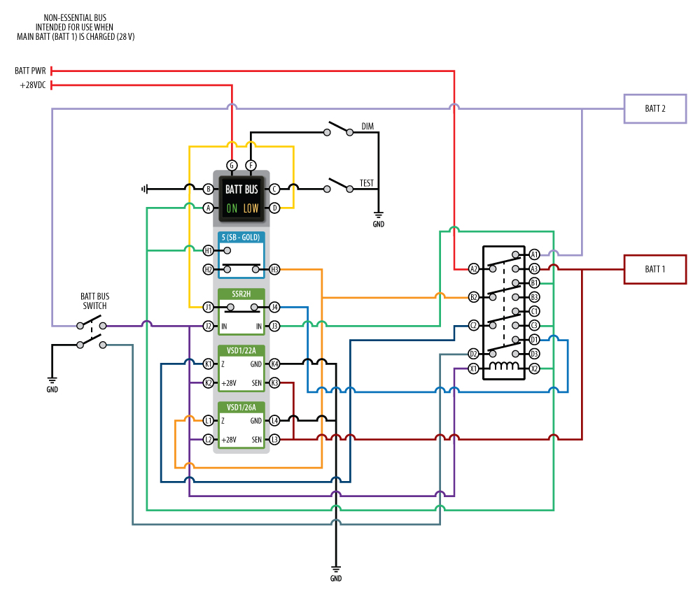
The application uses an alternate action VIVISUN switch annunciator with a single switch pole, two internal NEXSYS Voltage Sensors (VSD1) and a Normally Closed (NC) Solid State Relay (SSR2H). 

In the schematic, when the Battery Bus switch is activated, the Voltage Sensors begin to sense the Battery 1 voltage level. If the sense level is at full charge, Battery 1 is available for use. Otherwise, the “LOW” legend is energized indicating Battery 1 requires charge prior to use and Battery 2 is active. Upon full charge of Battery 1, the alternate action switch may be actuated. Upon actuation, the relay coil is energized illuminating the “ON” legend, confirming Battery 1 power is available. The Voltage Sensor setpoints are specified at 22VDC and 26VDC and a LOW indication results from Battery 1 dropping below 22VDC with the relay conducting to the (NC) Solid State Relay SSR2H and illuminating the LOW annunciation. On LOW voltage, Battery 2 remains active and Battery 1 is on charge until it reaches 26VDC and switchover returns Battery 1 to active mode illuminating the ON legend. 

This application demonstrates a single VIVISUN annunciator switch with internal voltage sensors monitoring battery status and automatically switching to a backup battery. The switch allows battery monitoring and automatic or manual switchover assuring access to required battery power. NEXSYS Component Technology eliminates the need for external hardware simplifying the design, reducing cost and saving weight.

Disclaimer: The configurations and diagrams shown above are provided by Applied Avionics, Inc. as a general example only. The recipient is solely responsible for actual design, electrical wiring, validation, testing, applicability and functionality of the product in regards to the customer’s specific application.