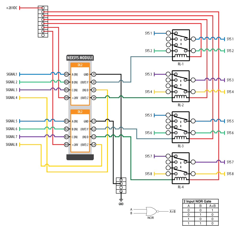
Load Shed

The DL2 consists of dual (two) logically independent channels that share common power (+28 VDC) for wiring efficiency. Each channel consists of two inputs and a single output that is capable of providing one of ten types of Boolean Logic control. 

This application diagram demonstrates how a NEXSYS Module, packaged with two Defined Logic (DL2) devices, can perform a multi-channel Load Shed circuit, allowing load priority to be controlled by the power relays, according to system electrical load requirements. 

The DL2 components rendered in this particular schematic are configured to perform the NOR logic gate operation, based on the sensed logic levels per channel. This is a NOT-OR gate, which is equal to an OR gate followed by a NOT gate - see logic truth table below diagram. Therefore, the Outputs of all NOR gates are Low if any of the Inputs are High. 

Defined Logic components sense the input levels present upon power-up, and each set of Inputs provides the logic gate interface to control signals 1 - 8. Inputs A and B control Output Y independently from Inputs C and D, which control Output Z. Logic level Low is defined as < 1.2 VDC or Ground and a logic High is > 4.0 VDC or High-Z (Open). When any Input per DL2 channel senses as logic level High, the Output becomes Low (Ground), and the Normally Opened (NO) relay contacts conduct. Alternatively, when both logic levels per channel become Low, the Output becomes High (Open), the relays are no longer energized and revert to the Normally Closed (NC) conducting state.

Disclaimer: The configurations and diagrams shown above are provided by Applied Avionics, Inc. as a general example only. The recipient is solely responsible for actual design, electrical wiring, validation, testing, applicability and functionality of the product in regards to the customer’s specific application.