System Soft Power Startup

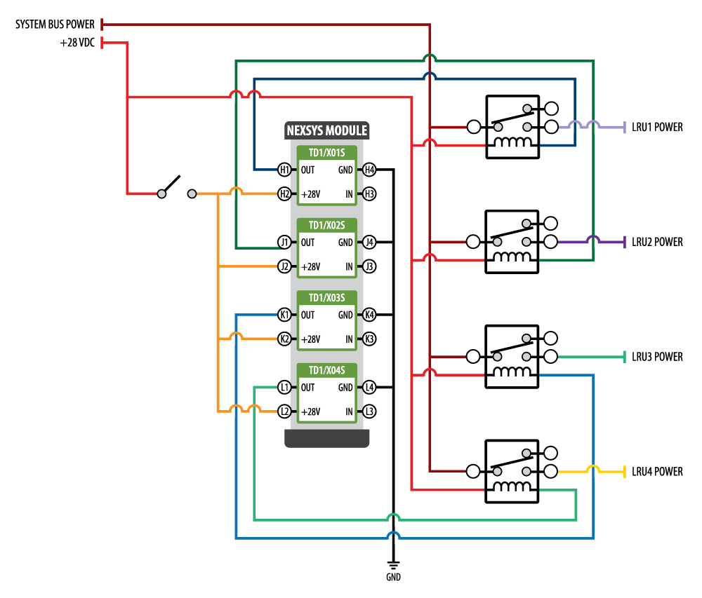
This application diagram depicts a power distribution control system with a staggered LRU startup using incremental time delay components. This design provides a custom sequential “soft” startup pattern such that certain units are powered up before others and serves the dual purpose of protecting power supplies from transient spikes associated with multiple units being powered up at the same exact time. 

The design uses a single standalone NEXSYS module which houses four NEXSYS Time Delay (TD1) components. The TD1s are configured to delay on power up and have time delays settings of one, two, three and four seconds, respectively. The TD1s control the low side (X2) of the external mechanical relays which switch power to downstream system units. 

Power to the TD1s is controlled by an external single pole switch. In the inactive (OFF) state, the outputs of the TD1s are high-z (open). When the switch is activated, 28 VDC power is passed to all four TD1s (H1, J1, K1 & L1) and each delay timer begins. After one second, the upper TD1 output (H1) transitions from high-z (open) to low (ground) and the upper relay is energized passing power to LRU1. Two seconds after power up, the upper middle TD1 output (J1) transitions from high-z (open) to low (ground) and the upper middle relay is energized passing power to LRU2. Three seconds after power up, the lower middle TD1 output (K1) transitions from high-z (open) to low (ground) and the lower middle relay is energized passing power to LRU3. Four seconds after power up, the low TD1 output (L1) transitions from high-z (open) to low (ground) and the lower relay is energized passing power to LRU4. 

The active output state of each TD1 is held so long as they powered up. When power is removed, each TD1 output will become high-z (open) again, and the external relays will de-energize. Upon subsequent power up, the delay sequence will begin again.

Disclaimer: The configurations and diagrams shown above are provided by Applied Avionics, Inc. as a general example only. The recipient is solely responsible for actual design, electrical wiring, validation, testing, applicability and functionality of the product in regards to the customer’s specific application.