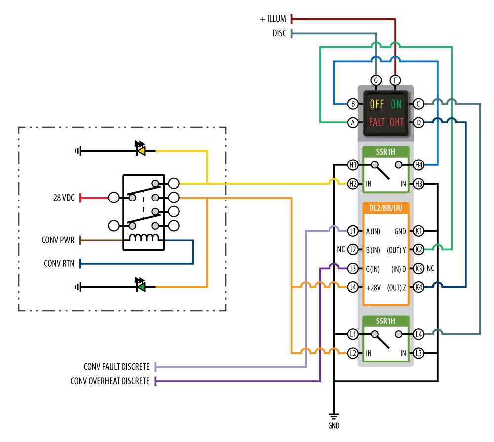
Power Converter Status

This application diagram depicts a mission power system switch with an electronic switch guard instead of the traditional physical switch guard. The mission power switch contacts must be held closed for at least 3 seconds to activate and de-activate the power relay. Inadvertent contact with the switch for less than 3 seconds will be ignored preventing power from being applied accidentally to downstream mission busses. 

The design uses a single switch that has a VIVISUN High Capacity Body which houses a momentary switch pole and NEXSYS Electronic Latch (EL1) and Time Delay (TD1) components. The EL1 controls the latched ON/OFF states, and the TD1 senses the length of the switch press and toggles the EL1. 

The EL1 powers up in RESET state with outputs Q (K2) and BLINK (K4) high-z (open) and output /Q (K3) low (ground). The ‘MISSION PWR’ legend (B) is always illuminated, and the ‘OFF’ legend (A) is turned on by output /Q of the EL1. The OUT pin (L1) of the TD1 is high-z (open) is the default/standby state. The power relay is de-energized in the ‘OFF’ state, and no power is applied to mission busses. 

When the momentary switch is pressed, a ground is passed through the normally open contact (H1) to the IN pin (L3) of the TD1. If this ground is present for 3 or more seconds, the OUT pin (L1) of the TD1 transitions from high-z (open) to low (ground) and provides a ground to the /TGL input (J2) of the EL1. This causes output Q (K2) to become low (ground) and output /Q to become high-z (open). In this state, the ‘OFF’ (A) legend turns off, the ‘ON’ legend (D) turns on and the power relay is energized sending power to mission busses. This state is held until the momentary switch is pressed again for 3 or more seconds which would return the system to the OFF state.

Disclaimer: The configurations and diagrams shown above are provided by Applied Avionics, Inc. as a general example only. The recipient is solely responsible for actual design, electrical wiring, validation, testing, applicability and functionality of the product in regards to the customer’s specific application.