WAAS Approach (Level of Service)

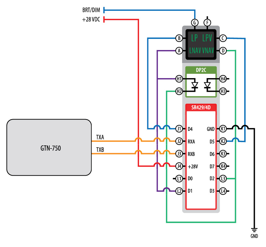
This application diagram depicts a WAAS Approach annunciator with a built-in multi-bit binary converter. The converter reads the ARINC 429 data and decodes the selected label and bits. Once decoded, the data is output as separate discrete signals that are used to illuminate indicators which correspond to the current level of service. 

The design uses a single annunciator that has a VIVISUN High Capacity Body which houses the NEXSYS ARINC 429 Multi-Bit Binary Converter (SR429/4D) and Commercial Diode Pack (DP2C) components. The SR429/4D reads and decodes the ARINC 429 data, and the DP2C is used to isolate separate discrete signals that are tied to the same indicator. 

The SR429/4D receives ARINC 429 data via inputs RXA and RXB (J2 & J3) which are connected to the transponder TXA and TXB outputs. The SR429/4D is configured to read and decode ARINC 429 label 261, bits 17, 18 and 19. Based on the data, the SR429/4D will output discrete low (ground) signals corresponding to the level of service. Output D1 (L2) corresponds to LNAV (A), D2 (L3) corresponds to LNAV (A) and VNAV (D), D4 (J1) corresponds to LP (B), and D5 (K2) corresponds to LPV (C).

Disclaimer: The configurations and diagrams shown above are provided by Applied Avionics, Inc. as a general example only. The recipient is solely responsible for actual design, electrical wiring, validation, testing, applicability and functionality of the product in regards to the customer’s specific application.