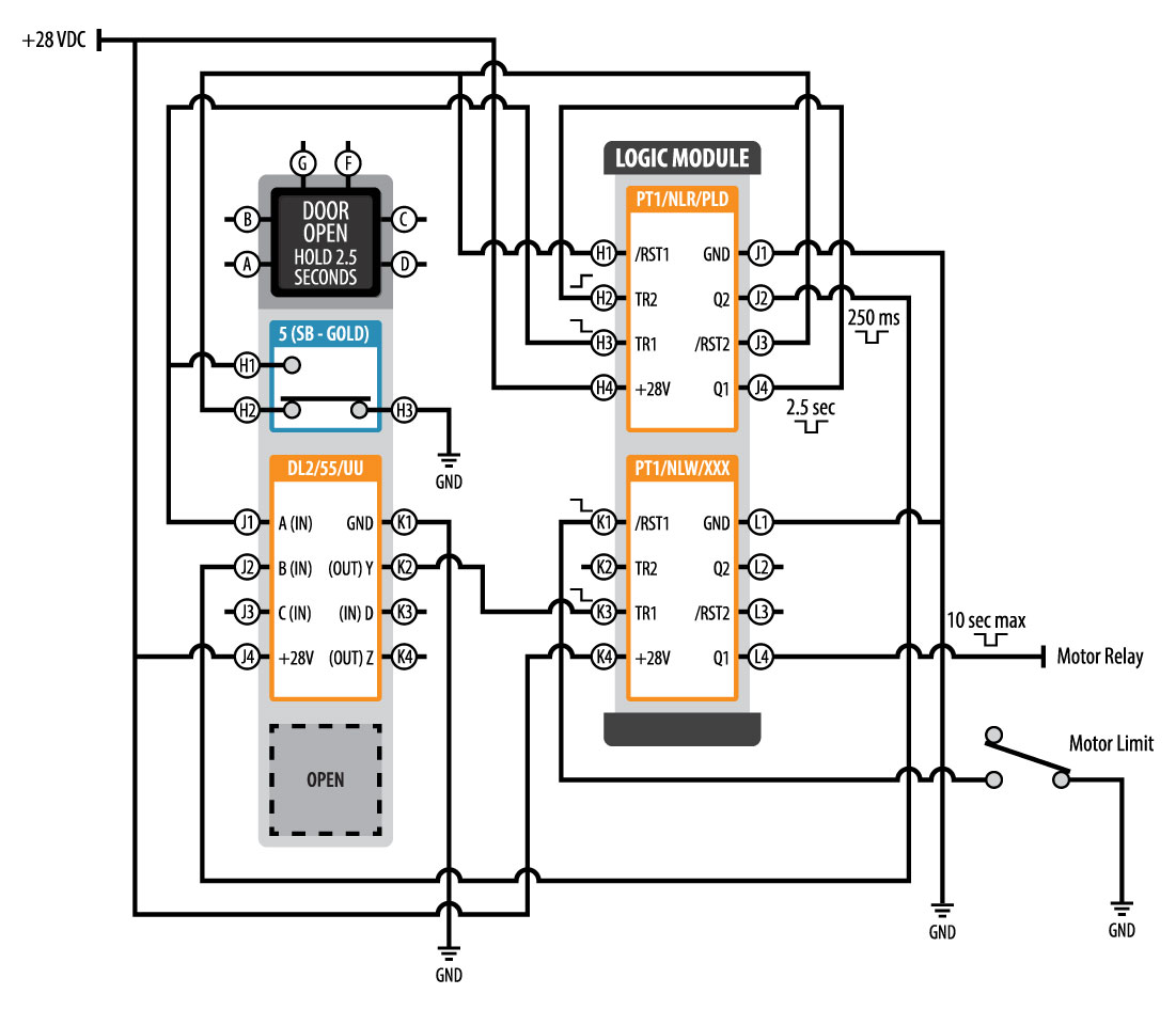
Electronic Switch Guard and Motor Control

This example eliminates the need for a mechanical switch guard on an aircraft door control switch. The door open switch contacts must be held closed for 2.5 seconds to activate the opening process. Inadvertent contact with the switch for less than 2.5 seconds will be ignored preventing accidental opening of the door. The application also includes a 10 second motor run and a limit switch interrupt.

This application uses 3 NEXSYS Component Technology (8-Pin) components. Two components are Pulse/Timers (PT1) that can be integrated into a single NEXSYS Module that can be combined with an in-line harness boot that is provided with each NEXSYS Module or it can be installed in a standard M81714/5-5 Type 1 rail available from Applied Avionics, Inc. The remaining (8-Pin) component is the Defined Logic (DL2) and it may be packaged in the momentary door open switch if a momentary pushbutton is used or it could also be mounted in-line or in the Type I rail with the other NEXSYS Module.

In this application, when the switch is not depressed the initial PT1 is held in reset by a ground provided from the normally closed contact (H2) of the DOOR OPEN switch to the /RST1 (H1) and /RST2 (J3) inputs. When the momentary switch is pressed and held the normally open contact (H1) activates the TR1 input (H3) on the initial PT1 activating the Q1 output (J4) and providing the 2.5 second delay for the guard function. This signal then activates the TR2 input (H2) of PT1 and the Q2 output (J2) provides a 250ms pulse as the “OR” to the INPUT B (J2) of the DL2 activating (OUT) Y (K2). The ground from (OUT) Y activates the TR1 input (K3) of the second PT1 and Q1 output (L4) provides the 10 second pulse to the door open relay. The motor limit switch then provides the ground back to the second PT1 /RST1 input (K1) canceling the pulse driving the motor relay.

This application creates an electronic (virtual) switch guard that may be used in many different safety and control applications. This aircraft door example requires a single delay pulse. However, two or more momentary switches can be added to this same circuit and the additional switches can be located in different areas of the aircraft requiring more than one person to control safety critical actions.

Disclaimer: The configurations and diagrams shown above are provided by Applied Avionics, Inc. as a general example only. The recipient is solely responsible for actual design, electrical wiring, validation, testing, applicability and functionality of the product in regards to the customer’s specific application.