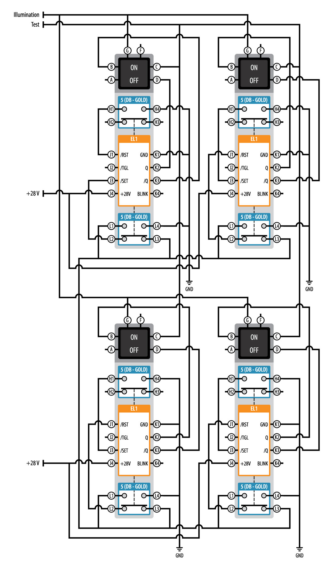
Auto-Canceling Interlock Switching

This example has 4 momentary switches with an electronic interconnect. The interconnect function has a similar action to mechanically interlocked switches. When the operator presses a switch, the selected function becomes active and any other selected function is canceled.

A combination of four VIVISUN High Capacity momentary switches are used and each switch contains two electromechanical switch poles and a NEXSYS Electronic Latch (EL1).

The power up state illuminates the initial switch (top left) in the ON mode by the /Q output (K3) to the (B) legend input. The remaining 3 switches are in the OFF mode with the /Q output (K3) connected to the (D) legend input illuminating the OFF legend. If any one of the 3 OFF switches is actuated, the ON legend of that switch illuminates from ground switched to the /SET input (J3) from the H1 switch contact and the Q output (K2) of the specific EL1. This selected switch is then canceled by the /RST input (J1) anytime a different switch is depressed. The initial (top left) switch is controlled in the same way but in an opposite state to the other 3 switches.

This application presents an effective alternative to mechanical interlocking alternate action switches. This example takes advantage of the improved reliability offered by a solid-state electronic interlock and momentary pushbutton switches. This application also includes a an externally activated Press-To-Test feature (Pin C) for a lamp check test circuit. Grounding the TEST pin will illuminate all sections of all indicators.

Disclaimer: The configurations and diagrams shown above are provided by Applied Avionics, Inc. as a general example only. The recipient is solely responsible for actual design, electrical wiring, validation, testing, applicability and functionality of the product in regards to the customer’s specific application.