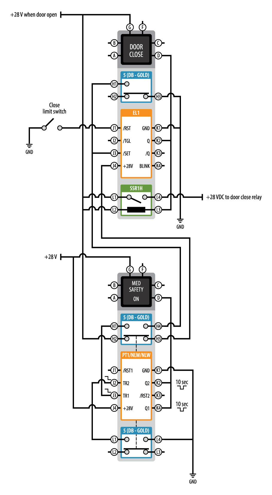
Door Close with Safety Switch

A Main Entry Door (MED) Switch is used to “lock out” the door close function. When the MED SAFETY switch is engaged, power to the DOOR CLOSE switch is interrupted, disabling the DOOR CLOSE switch. In order to save power, the MED SAFETY switch only illuminates for 10 seconds when selected and for 10 seconds anytime the DOOR CLOSE switch is depressed while the MED SAFETY switch is engaged.

This application uses two VIVISUN High Capacity Bodies. The MED SAFETY body contains a NEXSYS (8-Pin) Pulse/Timer (PT1) and two switch poles. The DOOR CLOSE body contains an (8-Pin) Electronic Latch (EL1), a (4-Pin) Solid State Relay (SSR1H) and a switch pole.

In the schematic, the Electronic Latch (EL1) in the DOOR CLOSE switch will power up in the default state with Q as high impedance (K2). Pressing the DOOR CLOSE switch will activate the /SET state (J3) grounding the Q output (K2). This will illuminate the DOOR CLOSE (D) legend and close the Solid State Relay (SSR1H) (K1) activating the high current DOOR CLOSE relay until door close power is removed or a limit switch senses the door is closed and provides ground back to the /RST input of the EL1 canceling the door close relay. The Pulse/Timer (PT1) is specified to detect a high to low input transition at the TR2 input (J2) when MED SAFETY is engaged and initiates a 10 second low going pulse from Q2 (K4) illuminating the MED SAFETY legend. If the MED SAFETY switch is engaged and the DOOR CLOSE switch is depressed the door close function is disabled and the TR1 (J3) of the PT1 generates a 10 second pulse on Q (K4) to illuminate the MED SAFETY legend for 10 seconds to advise the operator that the DOOR CLOSE switch is ”locked out” by the MED SAFETY switch. The MED SAFETY legend is only illuminated 10 seconds to conserve power.

This application provides a safety feature that prohibits the DOOR CLOSE from operating when the MED SAFETY switch is engaged. All NEXSYS Component Technology components are housed in the VIVISUN switches requiring no additional external devices.

Disclaimer: The configurations and diagrams shown above are provided by Applied Avionics, Inc. as a general example only. The recipient is solely responsible for actual design, electrical wiring, validation, testing, applicability and functionality of the product in regards to the customer’s specific application.