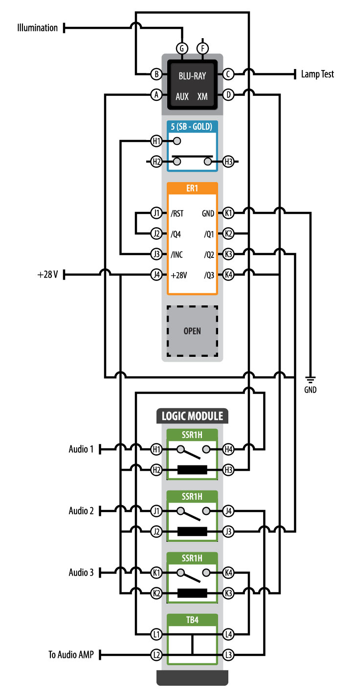
Multi-Position Audio Controller Switch

In-Flight Entertainment (IFE) systems require custom control hardware to activate or switch between different audio sources. NEXSYS Component Technology offers a simple solution to this challenge with the ability to isolate and buffer individual signals and control multiple individual modes. This application example switches between BLU-RAY, AUX and XM Satellite Radio.

The NEXSYS components required to complete this application are contained in a VIVISUN High Capacity Body and one NEXSYS Module. The High Capacity Body will include a single switch pole and an (8-Pin) Electronic Rotary (ER1). The NEXSYS Module will contain 3 (4-Pin) Solid State Relays (SSR1H) and a (4-Pin) Terminal Block (TB4).

The Audio control system powers up with the ER1 in the default power up state with /Q1 output (K2) ground Illuminating the BLU-RAY mode (B) and activating the Audio 1 Mode. When the mode switch is depressed the (H1) switch contact provides a ground to the ER1 /INC input (J3) causing the /Q1 output to transition from ground to high impedance and the /Q2 output (K3) to transition from high impedance to ground activating the AUX illumination legend (A) and the Audio 2 Mode. Depressing the switch a second time transitions the /Q2 output to high impedance and the /Q3 output (K4) from high impedance to ground activating the XM legend (D) and Audio 3. The third depression activates the /Q4 output (J2) which is tied to the /RST input (J1) which again transitions the /Q1 output to ground illuminating BLU-RAY and activating Audio 1 Mode.

The ER1 default power up state is with /Q1 ground which illuminates the BLU-RAY legend and activates the Audio 1 Mode. Moving all outputs down one position (/Q1 open, BLU-RAY moves to /Q2, AUX moves to /Q3, XM moves to /Q4 and /RST open) used would cause the system to power up with no legends illuminated and all modes inactive. The initial switch depression would then illuminate BLU-RAY and activate the Audio 1 Mode. The /Q4 output would be tied to the XM mode (D) and on the next switch depression the system reverts back to the off state as the /Q1 output follows the /Q4 and /Q1 is not connected.

Disclaimer: The configurations and diagrams shown above are provided by Applied Avionics, Inc. as a general example only. The recipient is solely responsible for actual design, electrical wiring, validation, testing, applicability and functionality of the product in regards to the customer’s specific application.