Electronic Rotary Multi-State Controller

This example demonstrates a traditional illuminated pushbutton switch cycling through 6 electrically isolated states. Each time the pushbutton switch is depressed the output advances to the next state simulating the function of a mechanical rotary switch. The pushbutton legend illumination also presents a visual indication of the active progressive states.

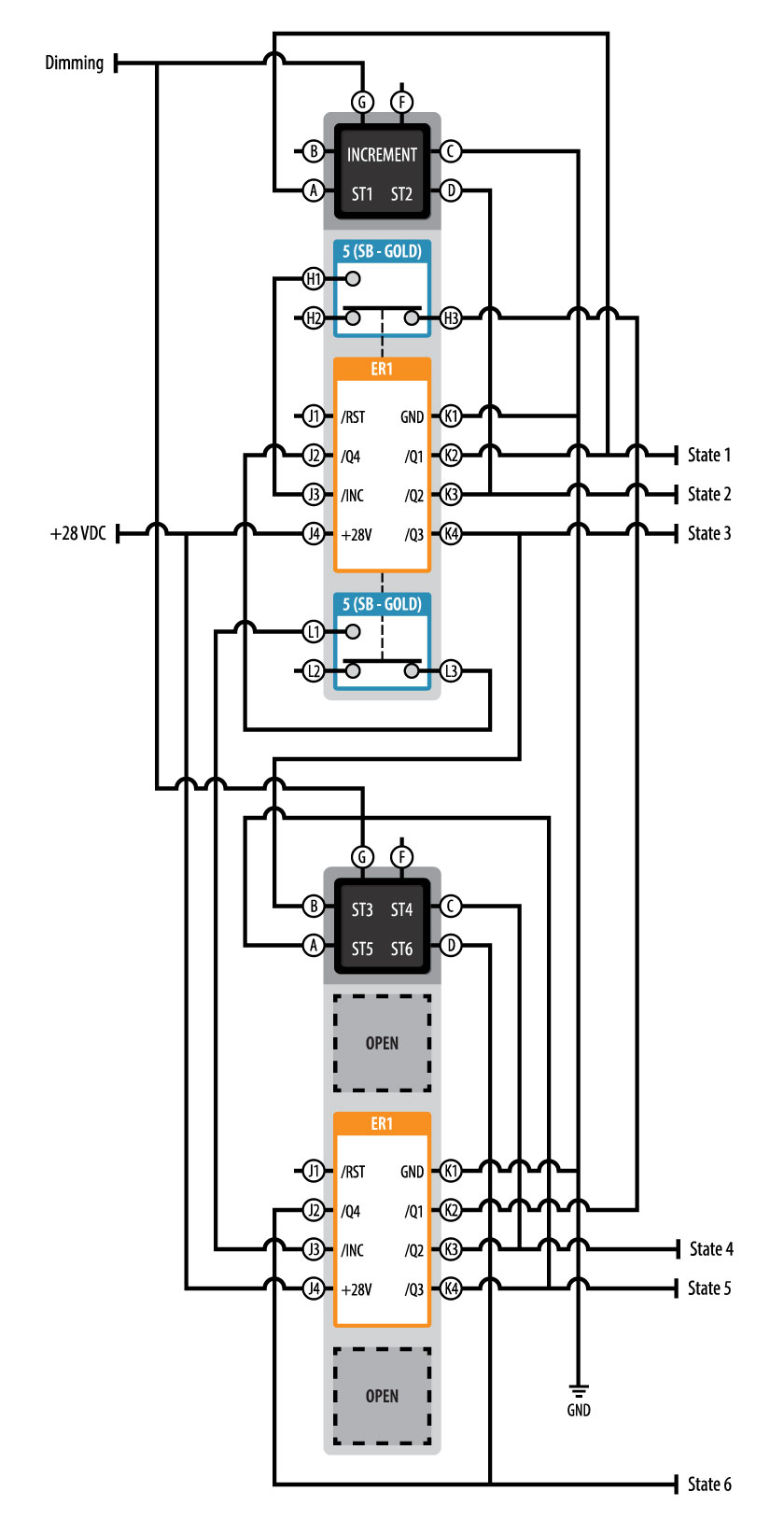
The hardware in this example includes a VIVISUN High Capacity Body containing two switch poles and an (8-Pin) NEXSYS Electronic Rotary (ER1). It also includes a second High Capacity Body with an ER1 and two open positions.

As the system is activated, the first ER1 powers up with the /Q1 output (K2) at ground illuminating the first state ST1 (A). The second ER1 /Q1 output (K2) provides ground to the (H3) contact of the increment control switch. Each time the switch is depressed the (H1) switch contact provides a ground to the /INC input (J3) of the first ER1 advancing the state each time it is depressed. Each ER1 NEXSYS Component has 4 increment states and the /Q4 output (J2) of the initial ER1 provides the ground to the second ER1 /INC input (J3) via the L1 contact continuing the progression. The /Q4 output (J2) remains ground until the next increment is activated, or the ER1 is RESET or power is cycled.

Unlike mechanical rotary switches each increment progression of the ER1 occurs electronically and the sequences may be interrupted or RESET at any of the steps. To interrupt the sequence an additional /RST (J1) switch can be added and when depressed the increment cycle will terminate returning the sequence back to the /Q1 (K2) output which is once again ground and ST1 illuminated. The increment sequence can also be “Locked Out” and each switch depression is ignored when a permanent ground is applied to the /RST input (J1). The sequence may also be shortened to just 5 states by connecting the /Q4 output (J2) of the second ER1 input to the /RST input (J1).

Disclaimer: The configurations and diagrams shown above are provided by Applied Avionics, Inc. as a general example only. The recipient is solely responsible for actual design, electrical wiring, validation, testing, applicability and functionality of the product in regards to the customer’s specific application.