Audio Speaker Mute - 3-Way Switching

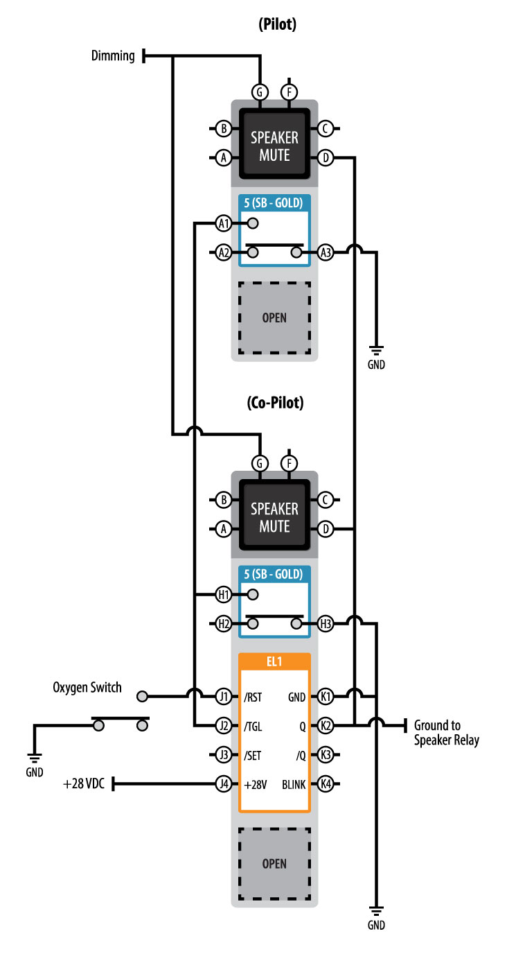
This application details an aircraft SPEAKER MUTE function used to silence redundant or repetitive aural messages in the cockpit. Separate mute switches are provided for the pilot and the co-pilot and the mute function may be selected or canceled by either. The mute function may also be automatically canceled if a defined emergency condition exists such as activating supplemental oxygen or Master Warning.

This function uses two momentary VIVISUN switches. One switch is a standard single pole Compact Body and the other is a High Capacity Body containing a single switch pole, a NEXSYS Electronic Latch (EL1) and an open position.

When either SPEAKER MUTE switch is selected the (A1) contact or the (H1) contact of the switch provides a ground to the /TGL input (J2) of the EL1 causing the Q output (K2) to provide a ground on pin-D illuminating the SPEAKER MUTE legend and activating the speaker mute relay. The Mute function remains selected until either switch is actuated again toggling the Q output between open and ground. The mute function may also be canceled by the supplemental oxygen switch closing providing ground to the /RST which forces the Q output (K2) open turning off the SPEAKER MUTE legend and canceling the Speaker relay.

This application can be adapted to many different uses and is often applied to TAWS or RAAS audio inhibit applications. The Defined LOGIC or a combination of the (NO) or (NC) Solid State Relays may be added to the circuit creating the opportunity for increased conditional logic or the Pulse/Timer can be added as an edge detector to monitor aircraft system status.

Disclaimer: The configurations and diagrams shown above are provided by Applied Avionics, Inc. as a general example only. The recipient is solely responsible for actual design, electrical wiring, validation, testing, applicability and functionality of the product in regards to the customer’s specific application.