Battery Backup Automatic Switchover

This example demonstrates a power switchover function in the event of a master power failure. The application has an automatic switchover function when voltage drops below defined levels. Also, the switchover may be forced by manually latching an alternate action switch. Hysteresis is also defined to compensate for voltage fluctuations due to changes in electrical load.

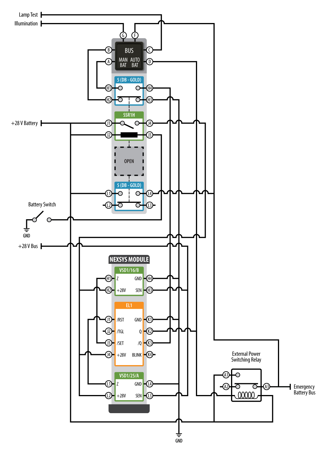
This application uses one (8-Pin) component and three (4-Pin) components. Two of the (4-Pin) components are Voltage Sensors (VSD1) that can be integrated into a single NEXSYS Module with the one (8-Pin) Electronic Latch (EL1). The remaining (4-Pin) component is a (NO) Solid State Relay 1 High 28 Volt (SSR1H) packaged in the VIVISUN Alternate Action BUS/BAT switch.

In the schematic, when the Bus voltage drops below 16 volts a VSD1/16/B voltage sensor (H1) will provide a ground to the /SET input (J3) of the EL1, setting the Q (K2) output, pulling in the relay and converting critical systems over to battery power. The VSD1/25/A provides a sensing of + 25 volts providing ground (L1) to the /RST input (J1) of the EL1 to ensure that the unit is in reset when the voltage is above 25 volts. The unit also has a hysteresis should the battery voltage increase due to reduced load, and the system will stay in the backup battery mode. The Electronic Latch (EL1) will drive the AUTO BAT (D) illuminated legend when the low voltage sensor is activated. A manual switchover may be activated by latching the pushbutton switch, directly sourcing battery power to the emergency battery Bus.

This application creates an automatic switchover to the battery backup in the event of a complete main electrical failure. NEXSYS Component Technology eliminates the need for external hardware while increasing the reliability and reducing weight. The design also provides the operator with manual control over the BUS/BAT allocation via the Alternate Action switch.

Disclaimer: The configurations and diagrams shown above are provided by Applied Avionics, Inc. as a general example only. The recipient is solely responsible for actual design, electrical wiring, validation, testing, applicability and functionality of the product in regards to the customer’s specific application.